彩虹多多



热门关键词: 高压开关动作特性测试仪 断路器特性测试仪 彩虹多多:变压器综合测试系统 承装承试设备选型 高压开关测试仪 变压器综合测试 串联谐振

联系彩虹多多

及时联系彩虹多多 为您解答产品相关疑问 欢迎拨打全国统一服务热线

销售电话: 027-8777 1781
                027-8777 1782
服务电话 133 9713 6633 
传真电话: 027-8777 1786
电子邮箱: whhdgk@126.com

避雷器计数器校验仪检查方法及原理

您的位置:彩虹多多 >> 服务支持 >> 技术文章

避雷器计数器校验仪

避雷器计数器校验仪

    避雷器计数器校验仪是记录避雷器在正常运行中受到雷击次数统计的一个重要参数。它能为电力系统的工作人员提供有针对性对避雷器进行检验的重要依据。那么避雷器计数器校验仪检查方法及原理?
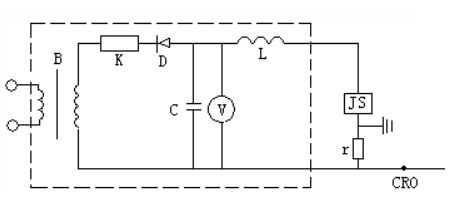
    由于密封不良,动作记数器在运行中可能进入潮气或水分,使内部元件锈蚀,导致记数器不能正常动作,所以《规程》规定,每年应检查1次。现场检查记数器动作的方法有直流法、交流法和标准冲击电流法。研究表明,以标准冲击电流法最为可靠,其原理接线如图2所示。

避雷器计数器校验仪原理接线图 

图2 标准冲击电流检测法的原理接线
(虚线框内为冲击电流发生器)
C-充电电容;R-充电电阻;L-阻尼电感
D-整流硅二极管;r-分流器;B-试验变压器
V-静电电压表;CRO-高压示波器

    将冲击电流发生器发生的8/20μs、100A的冲击电流波作用于动作记数器,若记数器动作正常,则说明仪器良好,否则应解体检修。例如某电业局曾用此法对27只记数器进行检测,其中有3只不动作,解体发现内部元件受潮、损坏。

    《规程》规定,连续测试3~5次,每次应正常动作,每次时间间隔不少于30s。测试后记录器应调到0。


  有关产品购买、信息咨询、技术资料等欢迎致电:027-87771780 或是     点击了解更多详细方案
上一篇: 彩虹多多:充气式试验变压器的串激组合试验接图
下一篇: 氧化锌避雷器现场测试仪的使用方法
版权说明:本站所有文章、图片、视频等资料的版权均属于彩虹多多官网-追求健康,你我一起成长 chdd ,其他任何网站或单位未经允许禁止转载、用于商业盈利,违者必究。如需使用,请与彩虹多多 联系;允许转载的文章、图片、视频等资料请注明出处"来自:武汉彩虹多多"。

荣誉客户

荣誉资质